Бесконтактные индуктивные датчики KIPPRIBOR серии LK
Индуктивные бесконтактные выключатели KIPPRIBOR серии LK – это датчики, выполненные в пластиковом компактном корпусе, предназначенном для установки на плоскость. Датчики LK реагируют на приближение металлического предмета (объекта) к их чувствительной части. Чувствительная часть датчиков KIPPRIBOR серии LK может быть расположена в торцевой (модификации LK) или верхней (модификации LKF) части корпуса. Номинальное расстояние срабатывания (Sn) датчиков LK зависит от модификации и может составлять 2, 2,5, 4, 12 мм.
К основным особенностям индуктивных датчиков серии LK можно отнести их способность реагировать исключительно на металлические объекты при отсутствии механического контакта с объектом (т.е. на расстоянии). Эта особенность позволяет применять датчики серии LK для мониторинга промежуточных или конечных положений металлических частей, узлов и механизмов. Частота переключения индуктивных датчиков KIPPRIBOR серии LK достаточно высока, что позволяет успешно применять их как первичные датчики скорости в комплексе со счетчиками импульсов и тахометрами. Еще одной отличительной особенностью индуктивных датчиков KIPPRIBOR серии LK является возможность их установки на плоскость компактный размер корпуса. Это позволяет использовать датчики серии LK в условиях ограниченного пространства, а также в случаях, если применение датчиков цилиндрической формы не представляется возможным.
Ширина корпуса 8 мм
|
Напряжение питания |
Схема подключения |
Коммутационная функция |
Номинальное расстояние срабатывания |
Максимальная частота срабатывания |
Модификация |
|
10…30 VDC |
NPN 3-проводная |
NO |
2,5 мм |
500 Гц |
LK08M-23.2,5N1.U1.K |
|
NC |
LK08M-23.2,5N2.U1.K |
||||
|
PNP 3-проводная |
NO |
LK08M-23.2,5P1.U1.K |
|||
|
NC |
LK08M-23.2,5P2.U1.K |
||||
|
NPN 3-проводная |
NO |
LKF08M-20.2,5N1.U1.K |
|||
|
NC |
LKF08M-20.2,5N2.U1.K |
||||
|
PNP 3-проводная |
NO |
LKF08M-20.2,5P1.U1.K |
|||
|
NC |
LKF08M-20.2,5P2.U1.K |
Ширина корпуса 10 мм
|
Напряжение питания |
Схема подключения |
Коммутационная функция |
Номинальное расстояние срабатывания |
Максимальная частота срабатывания |
Модификация |
|
10…30 VDC |
NPN 3-проводная |
NO |
2 мм |
500 Гц |
LKF10M-27.2N1.U1.K |
|
NC |
LKF10M-27.2N2.U1.K |
||||
|
PNP 3-проводная |
NO |
LKF10M-27.2P1.U1.K |
|||
|
NC |
LKF10M-27.2P2.U1.K |
||||
|
NPN 3-проводная |
NO |
4 мм |
LKF10M-27.4N1.U1.K |
||
|
NC |
LKF10M-27.4N2.U1.K |
||||
|
PNP 3-проводная |
NO |
LKF10M-27.4P1.U1.K |
|||
|
NC |
LKF10M-27.4P2.U1.K |
Ширина корпуса 18 мм
|
Напряжение питания |
Схема подключения |
Коммутационная функция |
Номинальное расстояние срабатывания |
Максимальная частота срабатывания |
Модификация |
|
10…30 VDC |
NPN 3-проводная |
NO |
4 мм |
500 Гц |
LK18M-35.4N1.U1.K |
|
NC |
LK18M-35.4N2.U1.K |
||||
|
PNP 3-проводная |
NO |
LK18M-35.4P1.U1.K |
|||
|
NC |
LK18M-35.4P2.U1.K |
||||
|
NPN 4-проводная |
NO+NC |
LK18M-35.4N4.U1.K |
|||
|
PNP 4-проводная |
NO+NC |
LK18M-35.4P4.U1.K |
|||
|
10…60 VDC |
2-проводная |
NO |
LK18M-35.4D1.U4.K |
||
|
NC |
LK18M-35.4D2.U4.K |
||||
|
10…30 VDC |
NPN 3-проводная |
NO |
12 мм |
LK18M-35.12N1.U1.K |
|
|
NC |
LK18M-35.12N2.U1.K |
||||
|
PNP 3-проводная |
NO |
LK18M-35.12P1.U1.K |
|||
|
NC |
LK18M-35.12P2.U1.K |
||||
|
NPN 4-проводная |
NO+NC |
LK18M-35.12N4.U1.K |
|||
|
PNP 4-проводная |
NO+NC |
LK18M-35.12P4.U1.K |
|||
|
10…60 VDC |
2-проводная |
NO |
LK18M-35.12D1.U4.K |
||
|
NC |
LK18M-35.12D2.U4.K |
Ширина корпуса 40 мм
| Напряжение питания | Схема подключения | Коммутационная функция | Номинальное расстояние срабатывания | Максимальная частота срабатывания | Модификация |
| 10…30 VDC | NPN 3-проводная | N0 | 20 мм | 500 Гц | LK40М-68.20N1.U1.E |
| NC | LK40М-68.20N2.U1.E | ||||
| NPN 4-проводная | N0+NC | LK40М-68.20N4.U1.E | |||
| PNP 3-проводная | N0 | LK40М-68.20P1.U1.E | |||
| NC | LK40М-68.20P2.U1.E | ||||
| PNP 4-проводная | N0+NC | LK40М-68.20P4.U1.E | |||
| 10…60 VDC | 2-проводная | N0 | LK40М-68.20D1.U4.E | ||
| NC | LK40М-68.20D2.U4.E | ||||
| 10…30 VDC | NPN 3-проводная | N0 | 40 мм | 100 Гц | LK40М-68.40N1.U1.E |
| NC | LK40М-68.40N2.U1.E | ||||
| PNP 3-проводная | N0 | LK40М-68.40P1.U1.E | |||
| NC | LK40М-68.40P2.U1.E | ||||
| NPN 4-проводная | N0+NC | LK40М-68.40N4.U1.E | |||
| PNP 4-проводная | N0+NC | LK40М-68.40P4.U1.E | |||
| 10…60 VDC | 2-проводная | N0 | LK40М-68.40D1.U4.E | ||
| NC | LK40М-68.40D2.U4.E |
Технические характеристики
|
Параметр |
Ширина корпуса |
|||
|
8 мм |
10 мм |
18 мм |
40 мм |
|
|
Напряжение питания |
10…30 VDC |
10…30 VDC |
10…30 VDC |
|
|
Номинальный ток нагрузки |
<10 мА |
|||
|
Максимальный ток нагрузки |
≤ 100 мА |
≤ 200 мА |
||
|
Ток утечки |
≤ 0,01 мА |
|||
|
Падение напряжения |
≤ 1,5 В |
|||
|
Защита от перегрузки |
да |
|||
|
Точка срабатывания защиты |
120 мА |
220 мА |
||
|
Защита от переполюсовки |
да |
|||
|
Защита от короткого замыкания |
да |
|||
|
Гистерезис переключения |
≤ 15 % Sr(1) |
|||
|
Точность повторения |
≤ 1 % Sr(1) |
|||
|
Индикация срабатывания |
Светодиод |
LED-индикация |
||
|
Материал корпуса |
Поликарбонат |
ABS пластик |
РВТ-пластик |
|
|
Материал активной части |
Поликарбонат |
ABS пластик |
РВТ-пластик |
|
|
Температура эксплуатации |
-25…+70 °C |
|||
|
Температурная погрешность |
≤ 10 % Sr(1) |
|||
|
Степень защиты |
IP 67 |
|||
|
Электрическое подключение |
Кабельный вывод, длина 2 м |
М12 (male) |
||
(1) – Реальное расстояние срабатывания конкретного бесконтактного выключателя, измеренное при номинальном напряжении питания, определенной температуре и условиях монтажа.
Модификации
LХХM-Х.ХХХ.Х.К
Например: LK18M-35.4N1.U1.K
Вы заказали: Индуктивный датчик с расположением чувствительной части с торца, с прямоугольным корпусом шириной 18 мм, с номинальным расстоянием срабатывания 4 мм; схемой подключения – трехпроводной NPN, коммутационной функцией – NO; напряжением питания 10...30 VDC; кабельным выводом 2 м.
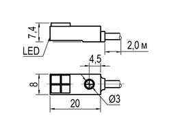
Габаритные размеры
Модификация LK08 (ширина корпуса 8 мм)
Модификация LKF08 (ширина корпуса 8 мм)
Модификация LKF10 (ширина корпуса 10 мм)
Модификация LK18 (ширина корпуса 18 мм)
Модификация LK40 (ширина корпуса 40 мм)
Схемы подключения
Трехпроводные, NPN, NO
Трехпроводные, PNP, NO
Трехпроводные, NPN, NC
Трехпроводные, PNP, NC
Четырехпроводные, NPN, NO+NC
Четырехпроводные, PNP, NO+NC
Двухпроводные, NO
Двухпроводные, NC
Документация
| Документация | |||
| Руководство по эксплуатации KIPPRIBOR серии LA и LK | 1 MB | ||
| Сертификаты | |||
| Декларации о соответствии на датчики индуктивные KIPPRIBOR | 1.54 MB | ||
Комплектность
В комплект входит датчик с кабелем присоединения длиной 2 м
Упаковка
|
Варианты упаковки |
Пакет (1 шт.) |
|
Масса одного датчика |
LK/LKF08 (ширина корпуса 8 мм) – не более 12 г LKF10 (ширина корпуса 10 мм) – не более 20 г LK18 (ширина корпуса 18 мм) – не более 58 г LK40 (ширина корпуса 40 мм) - не более 150 г |
Видео
Вебинар «Бесконтактные датчики»
Цены