Миниатюрные твердотельные реле серии FSD, KSD, RSN
Новинка
Малогабаритные твердотельные реле KIPPRIBOR серии FSD, KSD, RSN предназначены для коммутации нагрузки резистивного и слабоиндуктивного типа в цепях постоянного и переменного тока. Используются для коммутации нагрузки и для развязки силовых и управляющих цепей в системах промышленной автоматики.
Преимущества миниатюрных твердотельных реле KIPPRIBOR
- В ТТР используются ключи высокого класса по напряжению, что наделяет их устойчивостью к высоковольтным всплескам питающей сети.
- Высокий эксплуатационный ресурс обеспечивается отсутствием подвижных частей ТТР.
- Малые габаритные размеры позволяют экономить монтажный объем шкафа.
- Бесшумная работа исключает акустический дискомфорт.
Особенности миниатюрных твердотельных реле KIPPRIBOR
| KSD | FSD | RSN |
| Возможен PCB-монтаж | Модели с максимальным коммутируемым током 5 А выполнены в корпусе из алюминия для повышения эффективности отвода тепла | Конструктивно содержат два коммутационных ключа, срабатывающих от единого управляющего сигнала |
| Совместимость с промежуточными реле (при условии, что задействован только НО контакт) | Совместимость с промежуточными реле KIPPRIBOR серии MPR (при условии, что задействован только НО контакт) | Совместимость с промежуточными реле KIPPRIBOR серии RP (при условии, что задействовано только два НО контакта) |
| Корпус из алюминия повышает эффективность отвода тепла | ||
| Розетки KIPPRIBOR для монтажа | ||
| PYF-011BE/3.24DC.24DC | PYF-013BE/3 | PYF-044 |
Технические характеристики
Технические характеристики входных цепей
| Параметр | Значение | ||
| Модель ТТР | KSD-xx44.ZD3 | FSD-xx44.ZD3 | RSN-xx44.ZD3 |
| Тип управляющего сигнала | Дискретный | ||
| Диапазон напряжения управляющего сигнала | 3…32 VDC | ||
| Напряжение гарантированного включения | ≥3 VDC | ||
| Напряжение гарантированного выключения | ≤1 VDC | ||
| Ток потребления цепи управления | ≤20 мА (±0,5 мА) | ||
| Время включения | ≤10 мс при f = 50 Гц | ||
| Время выключения | ≤10 мс при f = 50 Гц | ||
| Максимальная частота переключения | ≤50 Гц при f = 50 Гц | ||
Технические характеристики выходных цепей
| Параметр | Значение | ||
| Модель ТТР | KSD-xx44.ZD3 | FSD-xx44.ZD3 | RSN-xx44.ZD3 |
| Номинальный ток ТТР | 2 А | 3, 5 А | 3, 5 А |
| Вид коммутируемого тока | Переменный | ||
| Минимальный коммутируемый ток | 0,1 А | ||
| Максимальный коммутируемый ток | 2 А | 3, 5 А | 3, 5 А |
| Ток утечки в закрытом состоянии | ≤10 мА | ||
| Скорость нарастания тока (di/dt) | 50 А/мкс | ||
| Диапазон напряжения питания нагрузки | 24…440 VAC | ||
| Частота источника питания нагрузки | 50 Гц | ||
| Максимальное пиковое напряжение | 900 VAC | ||
| Электрическая прочность изоляции | 1500 VAC (1 минута) | 2500 VAC (1 минута) | |
| Сопротивление изоляции | 500 МОм (при 500 VDC) | ||
Общие технические характеристики твердотельных реле
| Параметр | Значение | ||
| KSD-xx44.ZD3 | FSD-xx44.ZD3 | RSN-xx44.ZD3 | |
| Температура эксплуатации | -30…+70°С | ||
| Охлаждение | Естественное без установки на радиатор | ||
| Материал корпуса | Пластик | Пластик (для тока 3 А) Металл (для тока 5 А) |
Металл |
| Индикация наличия управляющего сигнала | Есть | Есть (только с током 5 А) | Есть |
| Тип монтажа | Монтаж в розетку PYF-011BE/3.24DC.24DC |
Монтаж в розетку PYF-013 | Монтаж в розетку PYF-044 |
| Масса | ≤18 г | ≤18 г (для тока 3 А) ≤24 г (для тока 5 А) |
≤44 г |
Модификации
| Модификация | Краткое описание | Позиция |
| KSD-0244.ZD3 | Напряжение питания нагрузки 24…440 VAC Максимальный коммутируемый ток 2 А |
складская |
| FSD-0344.ZD3 | Напряжение питания нагрузки 24…440 VAC Максимальный коммутируемый ток 3 А |
складская |
| FSD-0544.ZD3 | Напряжение питания нагрузки 24…440 VAC Максимальный коммутируемый ток 5 А |
складская |
| RSN-0344.ZD3 | Напряжение питания нагрузки 24…440 VAC Максимальный коммутируемый ток 3 А |
складская |
| RSN-0544.ZD3 | Напряжение питания нагрузки 24…440 VAC Максимальный коммутируемый ток 5 А |
складская |
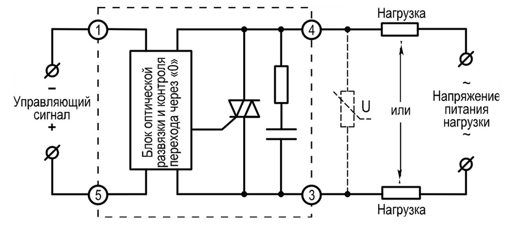
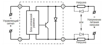
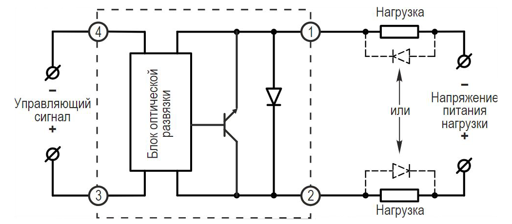
Схемы подключения и габаритные размеры
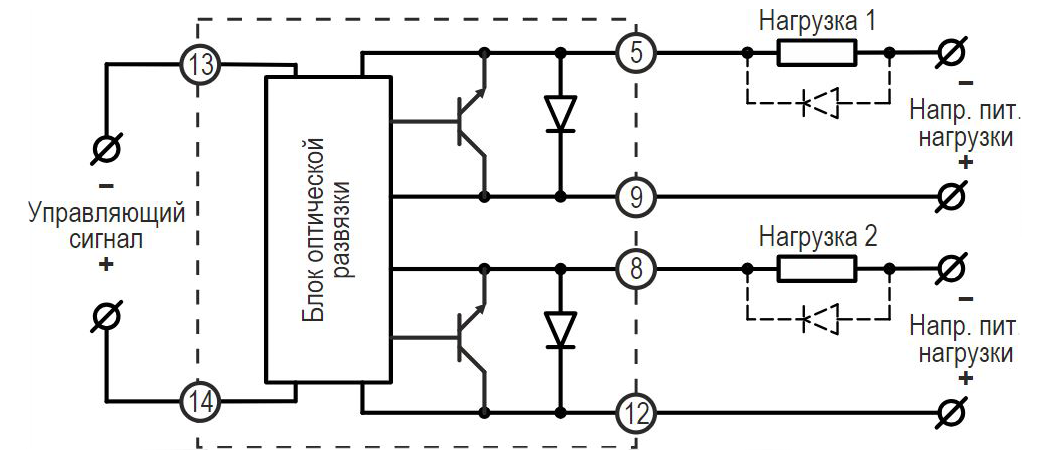
Схемы подключения и габаритные размеры твердотельных реле KIPPRIBOR серии KSD
Схема подключения твердотельных реле KIPPRIBOR серии KSD
Схема подключения твердотельных реле KIPPRIBOR серии KSD
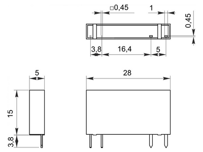
Габаритные размеры твердотельных реле KIPPRIBOR серии KSD
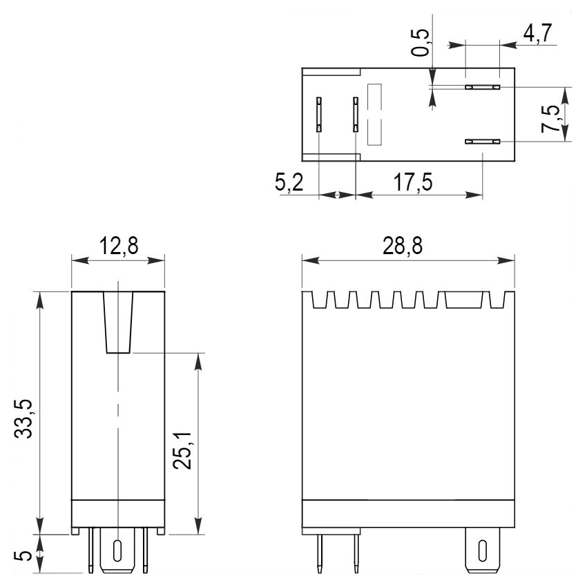
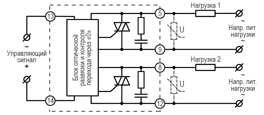
Схемы подключения и габаритные размеры твердотельных реле KIPPRIBOR серии FSD
Схема подключения твердотельных реле KIPPRIBOR серии FSD
Габаритные размеры ТТР серии FSD с максимальным коммутируемым током 1…4 А
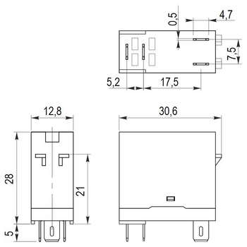
Габаритные размеры ТТР серии FSD с максимальным коммутируемым током 5 А
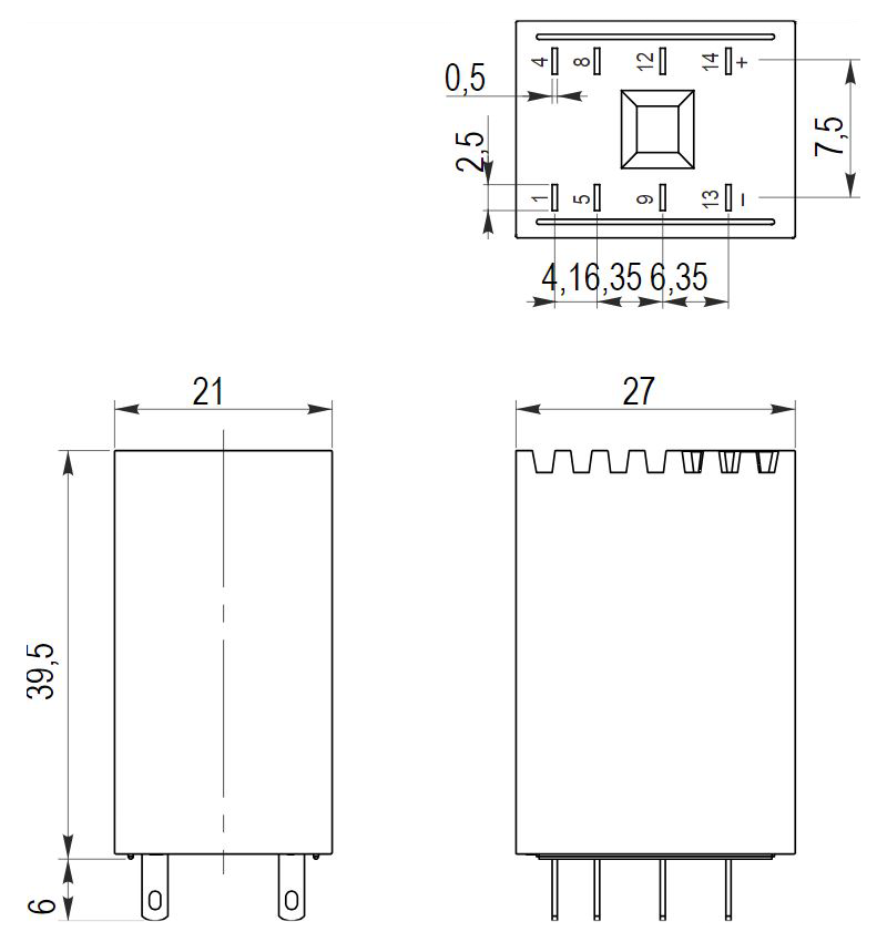
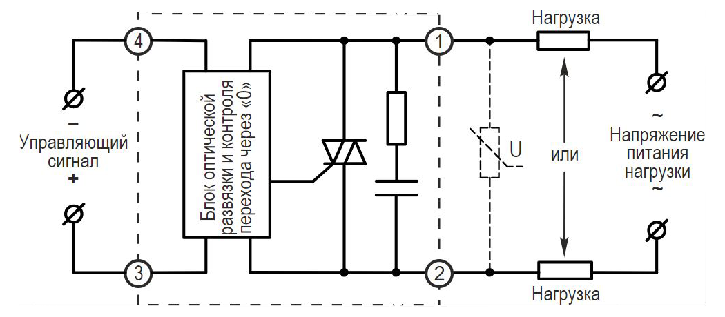
Схемы подключения и габаритные размеры твердотельных реле KIPPRIBOR серии RSN
Схема подключения твердотельных реле KIPPRIBOR серии RSN
Схема подключения твердотельных реле KIPPRIBOR серии RSN
Габаритные размеры твердотельных реле KIPPRIBOR серии RSN
Документация
| Сертификаты | ||||
| Декларация о соответствии твердотельного реле | (KSD, FSD, RSN) | 404.9 kB | ||
Цены