close

БУСТ2 блок управления тиристорами и симисторами

БУСТ2 блок управления тиристорами и симисторами

Цены

Назначение блока управления тиристорами и симисторами ОВЕН БУСТ2

Предназначен для управления симисторами или тиристорами, работающими с активной или активно индуктивной нагрузкой: нагревательными элементами печей, инфракрасными лампами, трансформаторами, двигателями и др.

БУСТ2 рекомендуется использовать для регулирования мощности совместно с ПИД-регуляторами ОВЕН ТРМ101ОВЕН ТРМ10ОВЕН ТРМ210ОВЕН ТРМ251ОВЕН ТРМ151 или ПЛК ОВЕН.

Прибор выпускается в корпусе креплением на Din - рейку.

Функциональные возможности

  • Автоматическое регулирование мощности активной нагрузки с помощью сигналов управления 0(4)...20 мА, 0...5 мА, 0...10 В, 0...1 В поступающих от регулятора
  • Управление нагрузкой, включенной «ЗВЕЗДОЙ» и «ТРЕУГОЛЬНИКОМ»
  • Управление активной и активно-индуктивной нагрузкой (cos φ>0,4)
  • Управление мощными симисторами и тиристорами с токами управления до 1,5 А
  • Ручное регулирование мощности с помощью встроенного потенциометра
  • Два метода управления симисторами или тиристорами, в зависимости от инерционности нагрузки и уровня помех в сети
  • Защита силовых тиристоров или симисторов при возникновении аварийных ситуаций: короткого замыкания или превышения номинального тока в нагрузке (с использованием внешних трансформаторов тока)
  • Светодиодная индикация уровня мощности (10 уровней от 0 до 100 %)
  • Возможность внешней блокировки управления нагрузкой
  • Работа с одно-, двух- и трехфазной нагрузкой

Переключение режимов

  • Плавный выход на заданный уровень мощности для предотвращения резких перегрузок питающей сети или защиты нагревателей
  • Мгновенный выход на заданный уровень мощности для управления низко-инерционными нагрузками

Технические характеристики

  •  

Питание

Наименование

Значение

Напряжение питания, В

220

Частота, Гц

50

Допустимое отклонение напряжения питания от номинала, %

-15...+10

Потребляемая мощность, ВА,

не более 12

Входы

Наименование

Значение

Входы управления/входное сопротивление

0...1 В/47кОм

0...10 В/47кОм

0...20 мА/50 Ом

4...20 мА/50 Ом

Напряжение низкого уровня на входе «Блокировка», В

0...0,4

Напряжение высокого уровня на входе «Блокировка», В

2,4...5

Выходы

Наименование

Значение

Импульсный ток управления, А, не менее

0,5 либо 1,5, в зависимости от настроек блока

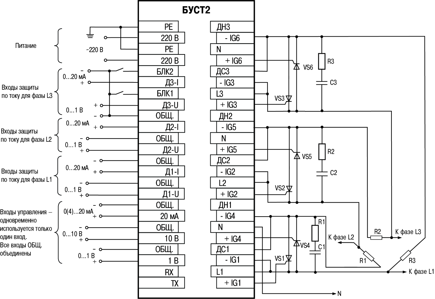
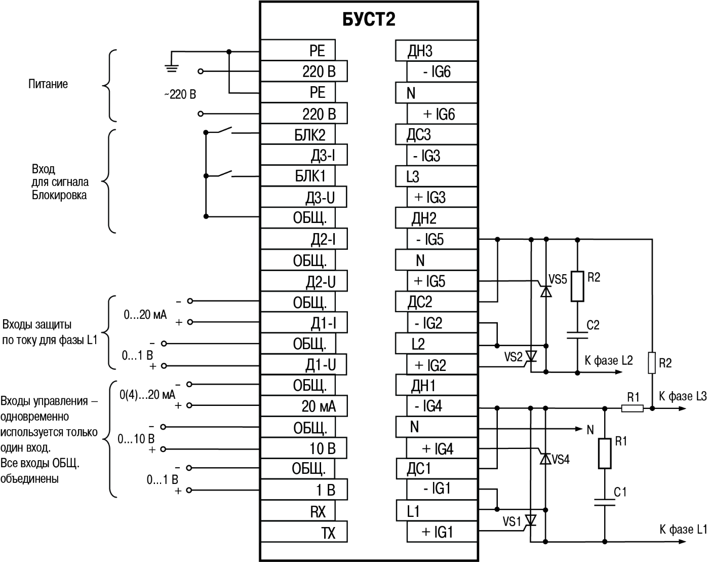
Схемы подключения

  •  

Схема соединения для типа подключения нагрузки «звезда с нейтралью»

Схема соединения для типа подключения нагрузки «звезда с нейтралью и симисторами»

Схема соединения для типа подключения нагрузки «разомкнутый треугольник»

Схема соединения для типа подключения нагрузки «одна фаза, 220 В»

Схема соединения для типа подключения нагрузки «одна фаза, 380 В»

Схема соединения для типа подключения нагрузки «две фазы, 220 В»

Схема соединения для типа подключения нагрузки «две фазы, 380 В»

Схема соединения для типа подключения нагрузки «замкнутый треугольник»

Схема соединения для типа подключения нагрузки «звезда без нейтрали»

Схема соединения для типа подключения нагрузки «звезда без нейтрали» с симисторами

Поключение шунтирующий резистор

 

 

Документация

  •  
Документация
webРуководство по эксплуатации БУСТ2 pdf 5.66 MB  
Руководство по эксплуатации (краткое) БУСТ2 pdf 2.58 MB  
Сертификаты
Декларация о соответствии на БУСТ2 zip 0.98 MB  

Проекты

  •  

Система управления ветрогенератором VESTAS 150/30 КВт

Система управления ветрогенератором VESTAS 150/30 КВт

Город: Калининград

Используемая продукция ОВЕН:

+3

Эффективное управление печью полимеризации с энергосбережением

Эффективное управление печью полимеризации с энергосбережением

Город: Санкт-Петербург

Используемая продукция ОВЕН:

Автоматизированная система управления сварочным комплексом

Автоматизированная система управления сварочным комплексом

Город: Тверь

Используемая продукция ОВЕН:

+2

Печь вакуумная высокотемпературная

Печь вакуумная высокотемпературная

Город: Тула

Используемая продукция ОВЕН:

+6

Автоматизированная система управления окрасочным комплексом

Автоматизированная система управления окрасочным комплексом

Город: Санкт-Петербург

Используемая продукция ОВЕН:

+4

Комплектность

  •  
  • Прибор БУСТ2
  • Паспорт и руководство по эксплуатации
  • Гарантийный талон

Цены